重合闸基本原理
一、介绍
在电力系统中,输电线路是发生故障最多的元件,因此,如何提高输电线路工作的可靠性,对电力系统的安全运行具有重大意义。
输电线路故障的性质,大多数属瞬时性故障,约占总故障次数的80%~90%以上,这些瞬时性故障多数由雷电引起的绝缘子表面闪络、线路对树枝放电、大风引起的碰线、鸟害和树枝等物掉落在导线上以及绝缘子表面污染等原因引起,这些故障被继电保护动作断开断路器后,故障点去游离,电弧熄灭,绝缘强度恢复,故障自行消除。此时,如把输电线路的断路器合上,就能恢复供电,从而减少停电时间,提高供电可靠性。当然,输电线路也有少数由线路倒杆、短线、绝缘子击穿或损坏等原因引起的永久性故障,在线路被断开之后,这些故障仍然存在。此时,如把线路断路器合上,线路还要被继电保护动作断路器再次断开。
由输电线路故障的性质可以看出,线路被断开之后再进行一次重合,其成功的可能性是相当大的,这种合闸固然可以由我们手动进行,但由于停电时间长,效果并不十分显著。为此,采用自动重合闸装置将被切除的线路重新投入运行,来代替我们的手动合闸。
线路上装设重合闸后,重合闸本身不能判断故障是否属瞬时性,因此,如果故障是瞬时性的,则重合闸能成功;如果故障是永久性的,则重合后由继电保护再次动作断路器跳闸,重合不成功。运行实践表明,线路重合闸的动作成功率约在60%~90%之间。可见,采用自动重合闸的效益很可观。
在输电线路上采用自动重合闸后,不仅提高了供电可靠性,而且可提高系统并列运行的稳定性和线路输送容量,还可以纠正断路器本身机构不良、继电保护误动以及误碰引起的误跳闸。由于自动重合闸本身费用低,工作可靠,作用大,故在电力系统中获得广泛应用。但是,采用自动重合闸后,对电力系统也带来某些不利影响,如重合于永久性故障时,系统将再次受到短路电流的冲击可能引起系统振荡;同时使断路器工作条件恶化。
输电线路的重合闸,常可以分为单相重合闸、三相重合闸及综合重合闸;或者分为一次动作的重合闸和两次动作的重合闸;还可以分为单侧电源重合闸和双侧电源重合闸。此外,还可以分机械式、电气式和晶体管式重合闸。
自动重合闸装置应符合下列基本要求:
1、自动重合闸可按控制开关位置与断路器位置不对应的原理起动。
2、用控制开关或通过遥控装置将断路器断开,或将断路器投于故障线路上而随即由保护装置将其断开时,自动重合闸均不应动作。
3、在任何情况下,自动重合闸的动作次数应符合预先的规定。
4、自动重合闸动作后应自动复归。
5、自动重合闸应能在重合闸后加速继电保护的动作。必要时,还应能在重合闸前加速其动作。当用控制开关合闸时,应采用加速继电保护动作的措施。
6、当断路器处于不允许实现自动重合闸的不正常状态时,应将自动重合闸闭锁。
二、自动重合闸与继电保护的配合
自动重合闸与继电保护的配合相当密切,两者配合工作,在很多情况下可以加快切除故障,提高供电的可靠性。其配合的主要方式是重合闸前加速保护和重合闸后加速保护两种。我厂采用的方式是重合闸后加速保护。当被保护线路发生故障时,保护装置有选择的将故障线路切除,与此同时重合闸动作,重合一次。若重合于永久性故障时,保护装置立即以不带时限,无选择的动作再次断开断路器。这种保护装置叫做重合闸后加速,一般用一块中间继电器来实现。原理如下:
由原理图可知:当线路发生故障时,因重合闸还未动作,JSJ继电器失电,此时经2SJ延时触点(保护时间继电器)起动出口中间继电器CKJ将断路器跳闸,保证有选择性的切除故障;断路器跳闸后,起动重合闸时,SHJ动作,JSJ动作,若重合于永久性故障,则2LJ0触点闭合,通过JSJ触点起动CKJ,瞬时切除故障,实现重合闸后加速保护的要求。为可靠切除故障,JSJ的触点在重合后约经0.4S延时断开。
采用重合闸后加速保护的优点是:因故障的切除保证了选择性,所以不会扩大停电范围;重合于永久故障时,仍能快速有选择性的切除。
三、重合闸的四种方式
(1)停用方式:线路上发生任何形式的故障时,均断开三相不进行重合。
(2)单相重合闸方式:线路上发生单相故障时,实现单相自动重合闸,当重合到永久性单相故障时,断开三相并不再进行重合。线路上发生相间故障时,断开三相不进行自动重合。
(3)三相重合闸方式:线路上发生任何形式的故障时,均实现三相自动重合闸。当重合到永久性故障时,断开三相并不再进行重合。
(4)综合重合闸方式:线路上发生单相故障时,实现单相自动重合闸,当重合到永久性单相故障时,如不允许长期非全相运行,则应断开三相并不再进行自动重合。线路上发生相间故障时,实行三相自动重合闸,当重合到永久性相间故障时,断开三相并不再进行自动重合。
四、保护接入回路
各种保护均应经过重合闸装置后才能使断路器跳闸,按保护性能的不同分别将保护出口端子与重合闸装置上的N、M、P、Q或R相连。
(1)N端子:非全相运行不误动保护的接入端子,接在此端子上的保护在单相重合闸出现的非全相运行期间不退出运行,对健全相的故障仍有保护作用。接在N端子上的保护有:高频相差保护、零序方向电流不灵敏I段、距离I段、距离II段。
(2)M端子:本线路非全相运行会误动、相邻线路非全相运行不误动保护的接入端子。接在此端子上的保护在本线路单相跳闸后被解除,当线路恢复全相运行时被重新投入。接在M端子上的保护有:零序方向电流灵敏I段、零序或负序构成的方向高频保护。
(3)P端子:相邻线路非全相运行时会误动保护的接入端子,接在此端子上的保护在相邻线路非全相运行被解除,,但本线路发生单相接地故障时能够发挥作用。接在P端子上的保护有:零序方向电流II段。
(4)Q端子:任何故障三相跳闸后进行三相重合闸保护的接入端子,接在此端子上的保护动作时,直接起动三相跳闸回路,然后进行三相重合闸。接在Q端子上的保护有:零序方向电流Ⅲ段、使用母线重合闸的母线保护。
(5)R端子:三相跳闸后不进行重合闸保护的接入端子(设在操作箱内)。
五、电容式的自动重合闸为什么只能重合一次
电容式重合闸是利用电容器的瞬时放电和长时充电来实现一次重合的。如果开关是由于永久性短路而保护动作所跳开的,则在自动重合闸一次重合后开关作第二次跳闸,此时跳闸位置继电器重新启动,但由于重合闸整组复归前使时间继电器触点长期闭合,电容器则被中间继电器的线圈所分接不能继续充电,中间继电器不可能再启动,整组复归后电容器还需20~25s的充电时间,这样保证重合闸只能发出一次合闸脉冲。
六、重合闸起动回路
重合闸起动原理如下:
重合闸起动指的是重合闸时间元件开始计时。由原理图可知:保护动作时,由分相跳闸继电器触点(1TJ-3TJ)起动重合闸继电器ZQJ并进行自保持,ZQJ励磁后通过其触点起动重合闸时间继电器4SJ,实现保护动作起动重合闸;断路器跳闸时(包括误跳),跳闸位置继电器触点闭合(TWJA、TWJB、TWJC)也起动4SJ,实现断路器与控制开关KK位置不对应起动重合闸。不对应起动方式是所有重合闸的基本起动方式,保护起动方式是综合重合闸功能的需要,以及对不对应起动方式的补充。
七、重合闸回路
利用充好电的电容器对重合闸继电器电压线圈放电来获得重合闸脉冲的方法,具有可靠防止多次重合,停用重合闸可靠等优点。当重合闸时间继电器4SJ起动时,其触点断开电容C的充电回路,避免多次重合的可能性。如果是多相故障,则三相跳闸固定继电器励磁使GJ闭合,于是,4SJ1滑动触点接通时,电容C对重合闸合闸继电器ZHJ放电,进行三相重合;如果是单相故障,则电容C通过4SJ2滑动触点对重合闸合闸继电器ZHJ放电,进行单相重合;ZHJ常开触点引入的目的是使ZHJ可靠动作。显然,LP处于位置1时,不论故障形式如何,均以4SJ1时限进行重合;LP处于位置2时,以4SJ1时限进行三相重合,以4SJ2时限进行单相重合;LP处于位置3时,不论故障形式如何均以4SJ2时限进行重合。对4SJ1与4SJ2时限的不同整定,可以实现重合闸装置的快重和慢重,我站对4SJ1与4SJ2时限的整定均为1秒,故重合闸时限切换连片投、切与否对重合闸无影响。
八、重合闸闭锁回路(放电回路)
注:
QK2接通时重合闸停用,这是按预先规定进行的重合闸闭锁;QK3接通时为单相重合闸方式下出现三相跳闸时的重合闸闭锁;STJ3为手合于故障线路时由跳闸继电器将重合闸闭锁;SHJ为手合断路器时重合闸闭锁;断路器位置闭锁。我厂重合闸放电回路原理图如下:
九、重合闸重合于永久性故障上对电力系统的不利影响
当重合闸重合于永久性故障时,主要有以下两个方面的不利影响:
(1)使电力系统又一次受到故障的冲击;
(2)使断路器的工作条件变得更加严重,因为在很短时间内,断路器要连续两次切断电弧。
十、选用重合闸方式的一般原则
(1)重合闸方式必须根据具体的系统结构及运行条件,经过分析后选定。
(2)凡是选用简单的三相重合闸方式能满足具体系实际需要的,线路都应当选用三相重合闸方式。持别对于那些处于集中供电地区的密集环网中,线路跳闸后不进行重合闸也能稳定运行的线路,更宜采用整定时间适当的三相重合闸。对于这样的环网线路,快速切除故障是第一位重要的问题。
(3)当发生单相接地故障时,如果使用三相重合闸不能保证系统稳定,或者地区系统会出现大面积停电,或者影响重要负荷停电的线路上,应当选用单相或综合重合闸方式。
十一、重合闸跳闸回路
注:
5YJ01与4ZQJ两个串联的常闭接点组成相间与接地故障的判别回路,其中,5YJ01是零序电压元件常闭触点。串入4ZQJ触点,在重合闸起动时就解除了该回路工作。
注:
针对原理图掌握单相故障跳闸回路、两相故障循环跳闸回路及沟通外部三相跳闸回路、短路故障直接外部三跳回路及重合闸“停用”方式下如何进行三跳基本原理问题。
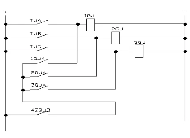
十二、分相动作固定回路
由于重合闸逻辑回路的需要,需要将分相跳闸的动作状态记忆下来(即固定),该记忆回路即称为分相动作固定回路。
1~3GJ为分相跳闸固定继电器,当分相跳闸继电器TJA、TJB、TJC动作时,其相应的固定继电器动作,且通过自身的触点自保持,实现分相动作固定,由于自保持回路由重合闸启动继电器4ZQJ8触点控制,所以分相动作固定继电器动作后,一直到重合闸起动回路返回时才能返回。原理图如下:
